台州学院
电气控制与PLC
实验指导书
(适用于机械设计制造及其自动化专业)
机械工程学院机电控制
二〇〇八年八月
实验要求
1、实验前必须充分预习,完成指定的预习任务。预习要求如下:
1) 认真阅读实验指导书,复习实验项目涉及的课本相关章节内容。
2) 熟悉实验电路工作原理,编好相关实验程序。
3) 清楚实验中所用各仪器设备的使用方法及注意事项。
2、做强电实验时,接线时必须断开电源;学生相互仔细检查,经指导教师检查同意后方可通电实验。
3、实验时应注意观察,若发现有破坏性异常现象(例如有元件冒烟、发烫或有异味)应立即关断电源,保持现场,报告指导教师。找出原因、排除故障,经指导教师同意再继续实验。
4、实验过程中需要改接线时,应关断电源方可进行。
5、实验过程中应仔细观察实验现象,认真记录实验过程,特别是遇到的问题及解决的方法应重点予以记录。实验记录经指导教师审阅签字后再拆除实验线路。
6、实验结束后,必须按规定要求关电源、并将仪器、设备、工具、导线等按规定整理,将实验台上的物品恢复到实验开始前状态。并填写实验仪器使用记录,经实验室人员认可后方可离开。
7、实验后及时整理分析实验记录,独立完成实验报告。
实验一 C620车床的电气控制线路
一、实验目的
1.通过对C620车床电气控制线路的接线,使学生掌握机床电气控制线路的工作原理,加深对常规继电器接触器控制线路的理解;
2.学会如何将电气原理图转化成实际电气线路,锻炼学生实际电气线路操作实践能力。
3.学习电气线路的调试与故障排除方法。
二、实验内容及学时(2学时)
根据电气控制线路图接线,并进行相关操作验证。
三、实验主要设备
1.三相异步电动机
2.THA-JK1继电器接触器控制实验箱
四、实验要求
理解实验电气原理图的工作原理,会分析线路中各环节的功能与作用;能按电气原理图正确接线,能独立完成电路故障的排除;按线完成后,验证电气线路图的功能。
五、实验方法与步骤
图1为C620车床电气控制原理图。
C620普通车床由主轴电动机M1和冷却泵电动机M2及相关电气控制系统组成,两台电动机只要求单方向运转。主电动机M1投入工作后,当需要用冷却油泵时,闭合手动开关Q1,冷却泵电动机M2投入工作,由于M2功率小,采用手动开关Q1进行直接起动,省去接触器和按钮,比较经济,操作也方便。当不需要冷却泵时,可单独关掉M2;如M2过载,热继电器动作,则两电动机M1、M2同时断电,停止运行。
1、在确保断电的情况下按图1接线,应先连接好控制电路,通电检查无误后再断开电源连接电机主电路,经指导老师检查无误后,按以下步骤再通电操作:
2、合上电源开关,接通380V交流电;
3、按下SB1按钮,KM1通电吸合,主轴电机M1启动运转;
4、合上开关Q1,冷却泵电机M2启动运转;
5、按下SB2按钮,KM1线圈断电,主轴电动机M1断电停止运转,同时冷却泵电动机M2也停止运转。
6、改进电气线路,使电机M2也用按钮、交流接触器来控制,画出改进后的电气线路并接线验证。

图1 C620车床电气控制线路图
六、实验报告
分析并写出图1工作原理,详细记录实验过程中遇到的问题及解决方法,写出实验心得,并回答以下问题:
1、试分析冷却泵电机为什么要接在KM1下面。
2、分析C620车床控制线路具有什么保护,分析保护电路是如何工作的。
3、实验中电动机是如何接线的,为什么这样接。
4、如果要让电机M1正反转均能运行,如何改进电气路。
实验二 三菱PLC基本指令练习
一、实验目的
1、了解PLC面板的基本结构,掌握输入、输出端子的连接方法;
2、学习三菱PLC编程软件的使用,程序的输入、编辑、传输及运行及调试;
3、掌握输入、输出继电器,定时器、计数器等常用编程元件的使用
二、实验内容及学时(2学时)
PLC的面板认识,PLC软件的应用,将给定的梯形图输入电脑,并运行PLC,观察实验现象。
三、实验主要设备
PLC(三菱FX2N-32MR),通讯电缆,PLC综合实验台(FP1-C24),微机(Windows2000及其以上),编程软件包(FXGP/WIN-C)
四、实验要求
正确认识PLC面板的基本结构,学会PLC与电脑的连接与通讯方法。掌握PLC编程软件的使用,包括梯形图与指令表的输入与转换,程序运行时电脑对PLC内部元件的监控方法,熟悉输入、输出继电器,定时器、计数器等常用编程元件的功能及使用方法,能根据梯形图分析实验现象。
五、实验方法与步骤
1、PLC的面板认识
认识实验所用PLC的规格型号,并说明其含义、面板上各部件的名称与作用。
2、正确连接PLC与电脑之间的通讯电缆。
3、定时器的使用
输入右图所示程序,并连好外部引线,验证如下内容:
(1)T1未定时前或定时时间未到前,那个触点闭合,那个触点断开,那个灯亮,那个灯灭。
(2)如何让T1开始计时,定时时间到后,那个触点闭合,那个触点断开,那个灯亮,那个灯灭。
(3)定时时间未到设定值前,断开X1,然后接通X1再定时,二次时间可否累加,将定时器T1改成T251,二次定时时间是否可累计。
(4)定时时间到后,怎样才能使已动作的定时器触点状态恢复到初始状态。
4、计数器的使用
输入右图所示程序,连好外部引线,做如下验证实验:
(1)计数器C0,C101是对什么信号进行计数。
(2)计数个数达设定值前与后,那个触点闭合,那个触点断开,那灯亮,那灯灭。
(3)计数器触点动作后,再加计数脉冲,计数触点状态如何变化。
(4)计数器动作后,如何使触点恢复到初始状态。
(5)计数触点动作后断开PLC电源,再通电,检验触点的变化情况。
5、编一程序,实现三灯按如下要求进行控制,用一个按钮开关X2控制三只灯Y1、Y2、 Y3循环点亮,按钮按三下,Y1亮,再按三下,Y1灭Y2亮,再按三下,Y2灭Y3又亮,再按一下,三灯全灭,再按三下Y1亮,如此循环。要求列出I/O分配表,电气接线图,梯形图程序,并进行实验验证。
六、实验报告
写出实验所用PLC的规格型号,含义、面板上各部件的名称与作用。画出实验梯形图程序,列出对应的I/O分配表及对应的PLC电气接线图,详细记录操作过程及实验现象。特别要记录在实验过程中所遇到的问题,及解决的方法。写出实验心得。
实验三 电机控制
一、实验目的
1. 巩固三相异步电动机Y/△起动、正反转控制的工作原理及方法;
2. 学习用PLC代替传统继电器接触器控制的方法;
3. 学习PLC程序的调试方法;
4. 综合应用电机控制与PLC控制知识。
二、实验内容及学时(2学时):
1. 设计三相异步电动机Y/△起动的PLC控制程序并调试运行。
2. 设计三相异步电动机正反转控制的PLC控制程序并调试运行。
3. 按以下要求设计一个PLC三相异步电动机控制系统,
1) 当按下按钮SB1时,交流接触器KM1、KMY线圈通电,电机Y联接正转起动,过5S后,交流接触器KM1、KM△线圈通电,电机转为△联接正转运行;
2) 当按下SB2按钮时,KM2、KMY线圈通电,电机Y联接反转起动,过5S后,KM2、KM△线圈通电,电机转为△联接反转运行。
3) 不论电机正反转运行,只要按下SB3按钮,电机停止。
4) 电机要改变转向时,必须先按SB3停止按钮,再按反向按钮。
5) 如果直接按反向按钮也能达到电机向的要求,程序应如何修改。
要求(1)写出实验梯形图程序,(2)画出对应的PLC输入、输出电气接线图,(3)列出I/O分配表,(4)画出电机控制主回路电气原理图。
三、实验主要设备
PLC(三菱FX2N-32MR),通讯电缆,PLC综合实验台(FP1-C24),微机(Windows2000及其以上),编程软件包(FXGP/WIN-C)
四、实验要求
进一步掌握三相异步电动机Y/△起动、正反转控制的工作原理及方法。掌握用PLC程序代替传统继电器接触器控制回路的思路与方法、进一步熟悉PLC程序的调试技巧与方法。要求独立编制程序,正确接线,调试并正常运行程序,达到按要求控制电机的目的。
五、实验方法与步骤
根据3个控制要求,分别列出I/O分配表、画出梯形图、将PLC与微机与实验板等进行正确连线,调试运行实验程序,观察实验现象。
六、实验报告
写出3个控制要求对应的程序,包括I/O分配表、梯形图。按实验步骤详细写出操作过程及实验现象。记录在实验过程中所遇到的问题,及解决的方法。
七、电机控制实验面板
PLC综合实验台电机控制实验面板,见下图。


实验四 交通信号灯控制
一、实验目的
1. 学习顺序控制程序的编写方法。
2. 学习步进指令与状态编程方法;
3. 学习数据处理等功能指令的使用
二、实验内容及学时(2学时):
1、 按下面流程图的要求编写时间固定的交通信号灯控制程序并调试运行。
开关X0合上后,东西方向:绿灯Y0亮4s后闪2s灭→黄灯Y1亮2s灭→红灯Y2亮8s→绿灯亮…… 如此循环;对应东西绿、黄灯亮时南北红灯Y5亮,对应东西红灯亮时,南北绿灯Y3亮4S→闪2秒灭→南北黄灯Y4亮2S后,……如此对应循环。开关X0断开后,所有灯灭。具体见下面流程图

2、 基本控制要求同(1),只是绿灯亮的时间通过8个开关模拟两个BCD拨码器从PLC外部X10~X17 八个端子输入,编制程序,并上机调试运行。
三、实验主要设备
PLC(三菱FX2N-32MR),通讯电缆,PLC综合实验台(FP1-C24),微机(Windows2000及其以上),编程软件包(FXGP/WIN-C)
四、实验要求
熟悉并掌握顺序控制程序、步进指令的编写方法。掌握数据处理等功能指令的使用。
五、实验方法与步骤
根据控制要求,分别列出I/O分配表、画出梯形图、将PLC综合实验台与微机等进行正确连接,观察实验现象,调试实验程序。
六、实验报告
在上机调试成功的基础上,写出经调试的梯形图程序、I/O分配表、PLC外部接线原理图,以及调试的过程。详细记录实验过程中遇到的问题,及解决方法,写出实验心得。
附录一 PLC可编程控制器实验台的组成、使用说明
一、实验设备配置
1. 可编程序控制器(PLC)三菱FX2N—32MR 1台
2. 通讯电缆 1根
3. PLC综合实验台 FP1-C24 1台
4. 微机 Windows2000及其以上 1台
5. 编程软件包 FXGP/WIN—C 1套
二、设备介绍
1. PLC 三菱(MITSUBISHI)FX2N—32MR
该可编程序控制器为日本三菱FX2N系列PLC,具有16个输入端子和16个输出端子,为继电器输出型。
2. PLC综合实验台(FP1-C24)
该装置包括直路24V电源板,多个实验单元板,如电机控制实验板、十字路口交通灯控制实验板、八段码显示实验板、多种溶液混合实验板等。主要为PLC提供电源、各类实验区的模拟对象,为实验项目提供输入信号和输出显示(输入输出均为24VDC值)。
3. 设备连接
首先将通讯电缆(SC—09)的9芯型插头插入微机的串行口插座(以下假定为端口2,此工作由实验室完成),再将通讯电缆的圆形插头插入PLC,最后将220V交流电源线接到PLC上,打开开关即可工作。
三 系统的接线说明
以电机控制实验板为例(面板见下图),说明系统的接线。需要特别说明的是: 标在KM1,KM2,KM△,KMY符号的四个发光二极管模拟KM1,KM2,KM△,KMY四个交流接触器的线圈,发光二极管二管极模拟线圈的二个引线,按发光二极管的管极有正负极性区别,这是与线圈二引线的区别,当发光二极管通以24V直流电压时,灯管发光,模拟交流接触器线圈通电,接触器吸合。四个二极管的负管极在内部已全部与“O”插孔电气相连,其正极与标有KM1,KM2,
KM△,KMY符号的插孔电气相联。常开按钮SB1,SB2,SB3二个引脚中的一端也在内部与“O”插孔电气相连,另一引脚与SB1,SB2,SB3插孔相连(见下图):
其他实验板的接线情况与电机控制板类似。

附录二 部分参考程序
一、电动机星-三角启动控制梯形图
程序一
程序二
附录三 FXGPWIN编程软件的使用说明
一、概述
FXGPWIN编程软件可对FXOS,FXON,FX2和FX2N系列三菱PLC可编程控制器编程以及监控PLC可编程器中各个软元件的实时状态。此编程软件由图1中各个文件组成。
图1
二、安装FXGP-WIN-C编程软件
将存有MELSEC-F/ FX系统编程软件的软盘插入软驱,在WINDOWS条件下起动安装进入MELSEC-F/ FX系统,选择FXGP-WIN-C文件双击鼠标左键,出现如下界面〈图2〉方可进入编程。
图2
三.FXGP-WIN-C编程软件的应用
1. FXGP-WIN-C编程软件的界面介绍见图3



a
b
c

d h
LLKJHHHH
e
KK
f
g
图3
界面包含: a当前编程文件名,例如标题栏中的文件名untit101
b菜单: 文件(F)、 编辑(E)、 工具(T)、 PLC、 遥控(R)、
监控/测试(M)等等。
c快捷功能键:保存、 打印、剪切、 转换、元件名查、 指令查、
触点/线圈查、 刷新等等。
d当前编程工作区:编辑用指令(梯形图)形式表示的程序。
e当前编程方式:梯形图。
f状态栏: 梯形图。
g快捷指令: F5常开、F6常闭、F7输入元件、 F8输入指令等等。
h功能图: 常开、常闭、输入元件、输入指令等等。
菜单操作:
FXGP-WIN-C(以下统一用简称FXGP)的各种操作主要靠菜单来选择,当文件处于编辑状态时,用鼠标点击想要选择的菜单项,如果该菜单项还有子菜单,鼠标下移,根据要求选择子菜单项,如果该菜单项没有下级子菜单,则该菜单项就是一个操作命令,单击即执行命令。
四、文件程序编辑
当正确进入FXGP编程系统后,文件程序的编辑可用二种编辑状态形式:
1)指令表编辑
2)梯形图编辑
1、 指令表编辑程序
“指令表”编辑状态,可以让你用指令表形式编辑一般程序。
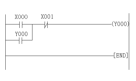
现在以输入下面一段程序为例:
Step Instruction I/0
0 LD X000
1 OUT Y000
2 END
操作步骤 解释
1)点击菜单〈文件〉中的〈新文件〉或〈打开〉选择PLC类型设置,FXON或FX2N后确认,弹出“指令表”(注:如果不是指令表,可从菜单“视图”内选择“指令表”)
建立新文件,进入“指令编辑”状态,进入输入状态,光标处于指令区,步序号由系统自动填入
2)键入“LD”[空格]
(也可以键入“F5”)
键入“X000”,[回车]
输入第一条指令
(快捷方式输入指令)
输入第一条指令元件号,光标自动进入第二条指令
3)键入“OUT”[空格]
(可以健入“F9”)
键入“Y000”,[回车]
输入第二条指令
(快捷方式输入指令)
输入第二条指令元件号,光标自动进入第三条指令
4)键入“END”,[回车]
输入结束指令,无元件号,光标下移
注:程序结束前必须输入结束指令(END)
“指令表”程序编辑结束后,应该进行程序检查,FXGP能提供自检,单击[选项]下拉子菜单,选中[程序检查]弹出[程序检查]对话框,根据提示,可以检查是否有语法错误,电路错误以及双线圈检验。检查无误可以进行下一步的操作〈传送〉、〈运行〉
2、“梯形图”编辑程序
梯形图编辑状态,可以让你用梯形图形式编辑程序。
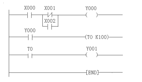
现在以输入下面一段梯形图为例:

操作步骤 解释
1)点击菜单〈文件〉中的〈新文件〉或〈打开〉选择PLC类型设置,FXON或FX2N后确认,弹出“梯形图”(注:如果不是梯形图,可从菜单“视图”内选择“梯形图”)
建立新文件,进入“梯形图编辑” 状态,进入输入状态,光标处于元件输入位置。
2)首先将小光标移到左边母线最上端处
确定状态元件输入位置
3)按“F5”或点击右边的功能图中的常开,弹出
“输入元件”对话框
输入一个元件“常开”触点
4)键入“X000”[回车]
输入元件的符号“X000”
5)按“F6”或点击功能图中的常闭,弹出“输入
元件”对话框
输入一个元件“常闭”触点
6)键入“X001”[回车]
输入元件的符号“X001”
7)按“F7”或点击功能图中的输出线圈
输入一个输出线圈
8)键入“Y000”[回车]
输入线圈符号“Y000”
9)点击功能图中带有连结线的常开,弹出“输入
元件”对话框 输入一个并联的常开触点
10)键入“Y000”[回车]
输入一个线圈的辅助常开的符号“Y000”
11)按“F8”或点击功能图中的“功能”元件
“—[ ]—”,弹出“输入元件”对话框
输入一个“功能元件”
“梯形图”程序编辑结束后,应该进行程序检查,FXGP能提供自检,单击[选项]下拉子菜单,选中[程序检查]弹出[程序检查]对话框,根据提示可以检查是否有语法错误,电路错误以及双线圈检验。进行下一步<转换>、<传送>、<运行>。
注意:“梯形图”编辑程序必须经过“转换”成指令表格式才能被PLC认可运行。但有时输入的梯形图无法将其转换为指令格式。
梯形图转换成指令表格式的操作用鼠标点击快捷功能键: 转换;或者点击工具栏的下拉菜单:转换
梯形图和指令表编程比较:梯形图编程比较简单、明了,接近电路图,所以一般PLC程序都用梯形图来编辑,然后,转换成指令表,下载运行。
五、设置通讯口参数
在FXGP中将程序编辑完成后和PLC通讯前,应设置通讯口的参数。如果只是编辑程序,不和PLC通讯,可以不做此步。
设置通讯口参数,分二个步骤:
1、 PLC串行口设置
点击菜单“PLC”的子菜单“串行口设置(D8120)[e]”,弹出下列对话框:


检查是否一致,如果不对,马上修正完[确认]返回菜单做下一步。(注:串行口设置一般已由厂方设置完成)。
2、PLC的端口设置
点击菜单“PLC”的子菜单“端口设置[e]”弹出下列对话框:
根据PLC与PC连接的端口号,选择COM1~COM4中的一个,完成[确认]返回菜单。注:PLC的端口设置也可以在编程前进行。
六、FXGP与PLC之间的程序传送
在FXGP中程序编辑好之后,要把程序下传到PLC中去。程序只有在PLC中才能运行;也可以把PLC中的程序上传到FXGP中来,在FXGP和PLC之间进行程序传送之前,应该先用电缆连接好PC-FXGP和PLC。
1、 把FXGP中的程序下传到PLC中去
若FXGP中的程序用指令表编辑即可直接传送,如果用梯形图编辑的则要求转换成指令表才能传送,因为PLC只识别指令。
点击菜单“PLC”的二级子菜单“传送”→“写出”:弹出对话框,有二个选择〈所有范围〉、〈范围设置〉。选择:
1)所有范围
即状态栏中显示的“程序步”(FX2N-8000、FX0N-2000)会全部写入PLC,时间比较长。(此功能可以用来刷新PLC的内存)
2)范围设置
先确定“程序步”的“起始步”和“终止步”的步长,然后把确定的步长指令写入PLC,时间相对比较短。
程序步的长短都在状态栏中明确显示。(见图(4)界面下方)
在“状态栏”会出现“程序步”(或“已用步”)写入(或插入)FX2N等字符。选择完[确认],如果这时PLC处于“RUN”状态,通讯不能进行,屏幕会出现“PLC正在运行,无法写入”的文字说明提示,这时应该先将PLC的“RUN 、STOP”的开关拨到“STOP”或点击菜单“PLC”的[遥控运行/停止[0] ](遥控只能用于FX2N型PLC),然后才能进行通讯。进入PLC程序写入过程,这时屏幕会出现闪烁着的“写入Please wait a moment”等提示符。
“写入结束” 后自动“核对”,核对正确才能运行。
注意这时的“核对”只是核对程序是否写入了PLC,对电路的正确与否由PLC判定,与通讯无关。
若“通讯错误” 提示符出现,可能有两个问题要检查。
第一, 在状态检查中看“PLC类型”是否正确,例:运行机型是FX2N,但设置的是FXON,就要更改成FX2N。
第二, PLC的“端口设置”是否正确即COM口。
排除了二个问题后,重新“写入”直到“核对”完成表示程序已输送到PLC中。
2、 把PLC中的程序上传到FXGP中
若要把PLC中的程序读回FXGP,首先要设置好通讯端口,点击“PLC”子菜单“读入”弹出[PLC类型设置]对话框,选择PLC类型,[确认]读入开始。结束后状态栏中显示程序步数。这时在FXGP中可以阅读PLC中的运行程序。
注意:FXGP和PLC之间的程序传送,有可能原程序会被当前程序覆盖,假如不想覆盖原有程序,应该注意文件名的设置。
七、程序的运行与调试
1、程序运行
当程序写入PLC后就可以在PLC中运行了。先将PLC处于RUN状态(可用手拨PLC的“RUN/STOP” 开关到“RUN”档,FXON 、FX2N都适合,也可用遥控使 PLC 处于 “RUN” 状态,这只适合FX2N型),再通过实验系统的输入开关给 PLC输入给定信号,观察PLC输出指示灯,验证是否符合编辑程序的电路逻辑关系,如果有问题还可以通过FXGP提供的调试工具来确定问题,解决问题。
例:运行验证程序
编辑、传送、运行下列程序:


步骤:
1) 梯形图方式编辑,然后[转换]成指令表程序。
2) 程序[写入]PLC,在[写入]时PLC应处于“STOP”状态。
3) PLC中的程序在运行前应使PLC处于“RUN”状态。
4) 输入给定信号,观察输出状态,可以验证程序的正确性。
操作步骤 观察
闭合XOOO断开X001 Y000应该动作
闭合X000闭合X002 Y000应该动作
断开X000 Y000应该不动作
闭合X000、闭合X001、断开X002 Y000应该不动作
Y000这条电路正确
Y000动作10秒后T0定时器触点闭合 Y001应该动作
T0、Y001电路正确
2、程序调试
当程序写入PLC后,按照设计要求可用FXGP来调试PLC程序。如果有问题,可以通过FXGP提供的调试工具来确定问题所在。调试工具:监控/测试。下面举例(如图(5))说明:
监控/测试包括
* 开始监控 在PLC运行时通过梯形图程序显示各位元件的动作情况:见图(5)。
图(5)
当X000闭合、Y000线圈动作、T0计时到、Y001线圈动作,此时可观察到动作的每个元件位置上出现翠绿色光标,表示元件改变了状态。利用“开始监控”可以实时观察程序运行。
* 进入元件监控 在PLC运行时,监控指定元件单元的动作情况:见图(6)。
图(6)
当指定元件进入监控(在“进入元件监控”对话框中输入元件号),就可以非常清楚元件改变状态的过程,例如T0定时器,当当前值增加到和设置的一致,状态发生变化。这过程在对话框中能清楚看到。
* 强制Y输出 强制PLC输出端口(Y)输出ON/OFF:见图(7)。
图(7)
如果在程序运行中需要强制某个输出端口(Y)输出ON或OFF,可以在“强制Y输出”的对话框中输入所要强制的“Y”元件号,选择“ON”或“OFF”状态“确认”后,元件保持“强制状态”一个扫描周期,同时图(7)界面也能清楚显示已经执行过的状态。
* 强制ON/OFF 强行设置或重新设置PLC的位元件:“强制ON/OFF”相当于
执行了一次SET/RST指令或是一次数据传递指令。对那些在程序中其线圈已经被驱动的元素,如Y0,强制“ON/OFF” 状态只有一个扫描周期,从PLC的指示灯上并不能看到效果。
下面通过图(8)和图(9)说明“强制ON/OFF”的功能,选TO元件作强制对象,在图(8)中,可看到在没有选择任何状态(设置/重新设置)条件下,只有当TO的“当前值”与“设置”的值一致时TO触点才能工作。
图(8)
如果选择“ON/OFF”的设置状态,在图(9)中当程序开始运行,TO计时开始,这时只要确认“设置”,计时立刻停止,触点工作(程序中的TO状态被强制改变)。
图(9)
如果选择“ON/OFF”的重新设置状态,当程序开始运行,TO计时开始,这时
只要确认“重新设置”,当前值立刻被刷新,T0恢复起始状态。TO计时重新开始。
调试还可以调用PLC诊断,简单观察诊断结果。调试结束,关闭“监控/测试”,程序进入运行。注:“开始监控”、“进入元件监控”是可以进行实时监控元件的动作情况。
* 改变当前值 改变PLC字元件的当前值:见图(10)。
图(10)
在图(10)中,当“当前值”的值被改动。例如K100改为K58,在程序运行状态下,执行确认,则TO从常数K58开始计时,而不是从零开始计时,这在元件监控对话框中非常清楚地反应出来,同时在改变当前值的对话框的“过程显示”中也能观察到。
改变当前值在程序调试中可用于瞬时观察。
* 改变设置值 改变PLC中计数器或计时器的设置值:见图(11)和图(12)。
在程序运行监控中,如果要改变光标所在位置的计数器或计时器的输出命令状态,只需在“改变设置值”对话框中输入要改变的值,则该计数器或计时器的设置值被改变,输出命令状态亦随之改变。如图(11)中,T0原设置值为“K100”,在“改变设置值”对话框中改为“K10”,並确认,则TO的设置值变为“K10”,如图(12)所示。
改变设置值在程序调试是比较常用的方法。
注:该功能仅仅在监控线路图时有效。
图(11)
图(12)
八、退出系统
完成程序调试后退出系统前应该先核定程序文件名后将其存盘,然后关闭FXGP所有应用子菜单显示图,退出系统。
参考文献
[1] 张万忠.可编程控制器入门与应用实例[M].北京:中国电力出版社,2005
[2] 张万忠.可编程控制器应用技术[M].北京:化学工业出版社,2004.
[3] 常晓玲.电器控制系统与可编程控制器.北京:机械工业出版社,2006
[4] 林明星.电器控制及可编程控制器.北京:机械工业出版社,2005
[5] 任国梅.可编程序控制器实验指导书. 重庆科技学院电子信息工程学院电工电子实验教学中心,2006
[6] 李树雄.可编程序控制器原理及应用教程[M].北京:北京航空航天出版社,2003
[7] 郑晟,巩建平,张学.现代可编程控制起原理与应用[M].北京:科学出版社,2003
[8] 廖常初.PLC编程及应用[M].北京:机械工业出版社,2002
[9] 郁汉琪.机床电气及可编程序控制器实验、课程设计指导书[M].北京:高等教育出版社,2002
[10]宋伟,吴建国.PLC编程基础[M].北京:清华大学出版社,1999.